Request Your Cabinet Quote
Tell us about your project and we’ll help you price the right cabinet options for your space, style, and timeline.
To provide the most accurate quote, please share room measurements, preferred cabinet style, and your target budget range.
How to Measure Your Kitchen
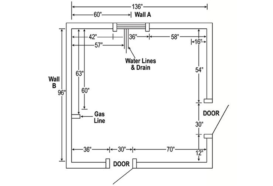
Before any planning can start we must know the exact dimensions available to work with. Using the measuring procedure illustrated, carefully prepare a simple floor plan of your existing kitchen.
Your completed floor plan should resemble the diagram shown to the right. Make sure you show exact locations of doors, windows, hood vents, exhaust, gas line, water line, drains, switches, outlets, light fixtures and heat vents. Double check all measurements.
Measuring Procedure
Using a tape measure and graph paper, measure as outlined below.
Horizontal Measurement
* Measure from wall to wall.
* Measure from comer to window or door opening.
* Measure across opening from trim edge to trim edge.
* Measure from edge of trim to far wall.
* Mark exact location of water, drain and gas lines.
* Measure from wall to wall above window
Vertical Measurement
* Measure from floor to window sill.
* Measure from window sill to top of window.
* Measure from top of window to ceiling.
* Measure from floor to ceiling.
